HIN202E至HIN241E:±15kV,ESD?;ぃ?5V供电,RS-232发射器/接收器
发布日期:2026-02-05
特性
?兼容高速ISDN . . . . . . . . . . . .230kbit/s
?RS-232输入/输出引脚的ESD保护为±15kV(IEC1000)
?符合所有RS-232E和V.28规格
?只需要0.1μF或更大的外部电容器HIN205E和HIN235E不需要外部电容器)
?两个接收器在关机模式下处于活动状态(HIN213E)
?只需要单个+5V电源
?车载电压倍增器/逆变器
?低功耗(典型) . . . . . . . . . . . . . . . . .5mA
?低功耗关机功能(典型) . . . . . . . . . .1μA
?三态TTL/CMOS接收器输出
?多个驱动程序
-+5V输入±10V输出摆动
- 300? 电源关闭阻抗
-输出电流限制
-TTL/CMOS兼容
?多个接收器
-±30V输入电压范围
- 3k? to 7k? 输入阻抗
-0.5V磁滞改善噪声抑制
应用
?任何需要高速RS-232通信端口的系统
-计算机-便携式、大型机、笔记本电脑
-外围设备-打印机和终端
-仪表、UPS
-调制解调器、ISDN终端适配器
描述
HIN202E-HIN241E系列RS-232发射器/接收器接口电路符合所有ElA高速RS-232E和V.28规范,特别适用于±12V不可用的应用。重新设计的发射机电路提高了数据速率和转换速率,使其适用于ISDN和高速调制解调器。发射器输出和接收器输入受到±15kV ESD(静电放电)?;ぁK切枰桓?5V电源,并具有板载电荷泵电压转换器,可从5V电源产生+10V和-10V电源。HIN205E和HIN235E不需要外部电容器,非常适合电路板空间关键的应用。该系列设备提供各种高速RS-232发射器/接收器组合,以适应各种应用(见选择表)。
HIN205E、HIN206E、HIN111E、HIN213E、HIN335E、HIL236E和HIN241E具有低功耗关机模式,可在电池供电的应用中节约能源。此外,HIN213E在关机模式下提供两个活动接收器,可实现轻松的“唤醒”功能。
驱动器具有真正的TTL/CMOS输入兼容性、slewrate有限输出和300? 断电电源阻抗。接收器可以处理高达±30V的输入,并且具有3k的电压? to 7k?输入阻抗。接收器还具有滞后特性,大大提高了噪声抑制能力。
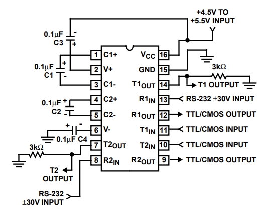
测试电路(HIN232E)

图1:通用测试电路

图2:断电电源电阻配置

图3:电荷泵
详细描述
HIN2XXE系列高速RS-232发射器/接收器由单个+5V电源供电,功耗低,符合所有ElARS232C和V.28规范。电路分为三个部分:电荷泵、发射器和接收器。
电荷泵
电荷泵的等效电路如图3所示。电荷泵包含两部分:倍压器和电压逆变器。每个部分由内部生成的两相时钟驱动,产生+10V和-10V。标称时钟频率为125kHz。在时钟的第一阶段,电容器C1被充电到VCC。在第二阶段,C1上的电压被加到VCC上,在C3两端产生一个等于VCC两倍的信号。在第二阶段,C2也被充电至2VCC,然后在第一阶段,它相对于地反转,在C4两端产生等于-2VCC的信号。电荷泵可接受高达5.5V的输入电压。
倍压器部分的输出阻抗(V+)约为200?,电压逆变器部分的输出阻抗(V-)约为450?. 典型的应用中,C1-C4使用0.1μF电容器,但该值并不重要。增加C1和C2的值将降低倍压器和逆变器的输出阻抗,增加储能电容器C3和C4的值,将降低V+和V-电源的电压。
在关机模式(HIN205E、HIN206E、HIN111E、HIN31E、HIN235E、HIN236E和HIN241E)下,电荷泵关闭,V+降至VCC,V-升至GND,电源电流降至10μA以下。发射机输出被禁用,接收路由输出(HIN213E、R4和R5除外)被置于高阻抗状态。
发射器
发射器是TTL/CMOS兼容的反相器,可将输入转换为RS-232输出。输入逻辑阈值约为VCC的26%,即VCC=5V时为1.3V。输入端的逻辑1导致输出端的电压在-5V和V-之间,逻辑0导致+5V和-0.6V之间的电压。每个发射机输入都有一个内部400k?上拉电阻器,因此任何未使用的输入都可以保持未连接状态,其输出保持在低状态。
输出电压摆动符合RS-232C规格,最小±5V,最坏情况下:所有发射器驱动3k?最小负载阻抗,VCC=4.5V,最大允许工作温度。变送器具有小于30V/μs的内部限制输出转换速率。输出具有短路?;すδ?,可以无限期地短路。断电后的输出阻抗至少为300? 输出端施加±2V电压,VCC=0V。
接收器
接收器输入可接受高达±30V的电压,同时提供所需的3k? to 7k? 即使电源关闭(VCC=0V),输入阻抗也是如此。接收器的典型输入阈值为1.3V,在RS-232规范的±3V限制范围内,即传输区域。接收器输出为0V至VCC。当输入大于2.4V时,输出将为低,当输入在+0.8V和-30V之间浮动或驱动时,输出为高。接收器具有0.5V滞后特性(?;诩涑猓?,以改善噪声消除。接收器启用线EN(HIN213E上的EN)在未连接时禁用接收器输出,将其置于高阻抗模式。在关机模式下,接收器输出也处于高阻抗状态(HIN213E R4和R5除外)。

图4:发射器

图5:接收器

图6:传播延迟定义

图7:带ct/RTSHANDSHAKING的简单双工RS-232端口
HIN213E?;诵?/p>
HIN213E具有两个接收器,R4和R5,在关机模式下保持活动状态。在正常操作期间,接收器的传播延迟通常为0.5μs。?;诩洌パ映倏赡芑崧杂性黾?。当进入关机模式时,接收器R4和R5在SD=VIL后的80μs内无效。退出关机模式时,所有接收器输出将无效,直到电荷泵电路达到正常工作电压。使用0.1μF电容器时,这通常小于2ms。
应用信息
HIN2XXE可用于所有RS-232数据终端和通信链路。在常规RS-232接口电路无法使用±12V电源的应用中,它特别有用。所展示的应用程序代表了典型的界面配置。
图7展示了一个配备CTS/RTS握手功能的简单双工RS-232端口。固定输出信号,如DTR(数据终端就绪)和DSRS(数据信令速率选择),是通过驱动它们通过5k来生成的? 电阻器连接到V+。
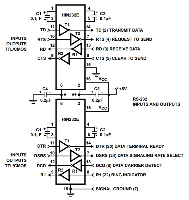
在需要四个RS-232输入和输出的应用中(图8),请注意,每个电路需要两个电荷泵电容器(C1和C2),但可以共享公共储能电容器(C3和C4)。共享公共储能电容器的好处是消除了两个电容器,降低了电荷泵源阻抗,从而有效地增加了发射机的输出摆幅。

图8:将两个HIN232E组合用于4对RS-232输入和输出
金属化面罩布局

